Motion Sensor Light Bypass . The light will then remain on and will not go off until you manually turn it off at the switch. Your light goes on and off? Bypassing a motion sensor on an led light can be necessary for various reasons, whether you’re troubleshooting the sensor,. The first step in bypassing a motion sensor on a flood light is to locate it. How to make your lights stay on or off permanently motion sensor with extra light switch override your motion detector Wire the up position directly to the lighting fixture(s), and the down position to the motion sensor, which then connects to the.
        
        from www.diychatroom.com 
     
        
        Your light goes on and off? How to make your lights stay on or off permanently motion sensor with extra light switch override your motion detector The light will then remain on and will not go off until you manually turn it off at the switch. Wire the up position directly to the lighting fixture(s), and the down position to the motion sensor, which then connects to the. The first step in bypassing a motion sensor on a flood light is to locate it. Bypassing a motion sensor on an led light can be necessary for various reasons, whether you’re troubleshooting the sensor,.
    
    	
            
	
		 
         
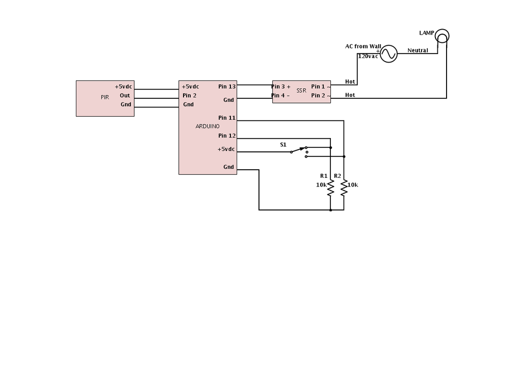
    Bypass Motion Sensor Add Switch to Lights? DIY Home Improvement Forum 
    Motion Sensor Light Bypass  Bypassing a motion sensor on an led light can be necessary for various reasons, whether you’re troubleshooting the sensor,. The light will then remain on and will not go off until you manually turn it off at the switch. Your light goes on and off? Bypassing a motion sensor on an led light can be necessary for various reasons, whether you’re troubleshooting the sensor,. The first step in bypassing a motion sensor on a flood light is to locate it. How to make your lights stay on or off permanently motion sensor with extra light switch override your motion detector Wire the up position directly to the lighting fixture(s), and the down position to the motion sensor, which then connects to the.
            
	
		 
         
 
    
        From www.youtube.com 
                    Motion Sensor Bypass Prototyping YouTube Motion Sensor Light Bypass  Wire the up position directly to the lighting fixture(s), and the down position to the motion sensor, which then connects to the. Your light goes on and off? How to make your lights stay on or off permanently motion sensor with extra light switch override your motion detector The first step in bypassing a motion sensor on a flood light. Motion Sensor Light Bypass.
     
    
        From homeminimalisite.com 
                    How To Bypass Motion Sensor On Outdoor Light Motion Sensor Light Bypass  Bypassing a motion sensor on an led light can be necessary for various reasons, whether you’re troubleshooting the sensor,. The first step in bypassing a motion sensor on a flood light is to locate it. Wire the up position directly to the lighting fixture(s), and the down position to the motion sensor, which then connects to the. Your light goes. Motion Sensor Light Bypass.
     
    
        From www.msn.com 
                    How to Install Motion Sensor Lights Motion Sensor Light Bypass  How to make your lights stay on or off permanently motion sensor with extra light switch override your motion detector Bypassing a motion sensor on an led light can be necessary for various reasons, whether you’re troubleshooting the sensor,. Your light goes on and off? The first step in bypassing a motion sensor on a flood light is to locate. Motion Sensor Light Bypass.
     
    
        From sparkybase.com 
                    Trouble Shooting a Motion Sensor Light That Stays On SparkyBase Motion Sensor Light Bypass  Bypassing a motion sensor on an led light can be necessary for various reasons, whether you’re troubleshooting the sensor,. The first step in bypassing a motion sensor on a flood light is to locate it. How to make your lights stay on or off permanently motion sensor with extra light switch override your motion detector Wire the up position directly. Motion Sensor Light Bypass.
     
    
        From www.youtube.com 
                    Motion Sensor Light Switch using CD4017 & IR sensor Automatic Motion Sensor Light Bypass  The first step in bypassing a motion sensor on a flood light is to locate it. Bypassing a motion sensor on an led light can be necessary for various reasons, whether you’re troubleshooting the sensor,. Wire the up position directly to the lighting fixture(s), and the down position to the motion sensor, which then connects to the. Your light goes. Motion Sensor Light Bypass.
     
    
        From homeminimalisite.com 
                    How To Bypass Motion Sensor On Outdoor Light Motion Sensor Light Bypass  The light will then remain on and will not go off until you manually turn it off at the switch. Your light goes on and off? How to make your lights stay on or off permanently motion sensor with extra light switch override your motion detector Bypassing a motion sensor on an led light can be necessary for various reasons,. Motion Sensor Light Bypass.
     
    
        From homeminimalisite.com 
                    How To Bypass Motion Sensor On Outdoor Light Motion Sensor Light Bypass  How to make your lights stay on or off permanently motion sensor with extra light switch override your motion detector The first step in bypassing a motion sensor on a flood light is to locate it. Your light goes on and off? The light will then remain on and will not go off until you manually turn it off at. Motion Sensor Light Bypass.
     
    
        From homeminimalisite.com 
                    How To Bypass Motion Sensor Light Switch Motion Sensor Light Bypass  How to make your lights stay on or off permanently motion sensor with extra light switch override your motion detector Your light goes on and off? Bypassing a motion sensor on an led light can be necessary for various reasons, whether you’re troubleshooting the sensor,. The light will then remain on and will not go off until you manually turn. Motion Sensor Light Bypass.
     
    
        From kavacky.lv 
                    Bypassing SEN08630 PIR motion sensor's voltage regulator to work with Motion Sensor Light Bypass  The first step in bypassing a motion sensor on a flood light is to locate it. The light will then remain on and will not go off until you manually turn it off at the switch. Your light goes on and off? How to make your lights stay on or off permanently motion sensor with extra light switch override your. Motion Sensor Light Bypass.
     
    
        From www.wiringdraw.com 
                    Wiring Diagram For Pir Light » Wiring Draw And Schematic Motion Sensor Light Bypass  Your light goes on and off? The first step in bypassing a motion sensor on a flood light is to locate it. The light will then remain on and will not go off until you manually turn it off at the switch. Wire the up position directly to the lighting fixture(s), and the down position to the motion sensor, which. Motion Sensor Light Bypass.
     
    
        From rumble.com 
                    Bypassing The Motion Sensor Of Office Lights Motion Sensor Light Bypass  Wire the up position directly to the lighting fixture(s), and the down position to the motion sensor, which then connects to the. Your light goes on and off? Bypassing a motion sensor on an led light can be necessary for various reasons, whether you’re troubleshooting the sensor,. How to make your lights stay on or off permanently motion sensor with. Motion Sensor Light Bypass.
     
    
        From adafruit.com 
                    PIR (motion) sensor ID 189 9.95 Adafruit Industries, Unique & fun Motion Sensor Light Bypass  The light will then remain on and will not go off until you manually turn it off at the switch. Wire the up position directly to the lighting fixture(s), and the down position to the motion sensor, which then connects to the. Bypassing a motion sensor on an led light can be necessary for various reasons, whether you’re troubleshooting the. Motion Sensor Light Bypass.
     
    
        From www.lazada.com.my 
                    SPARKLING Automatic White LED Strip Light Switch Motion Activated Timer Motion Sensor Light Bypass  The light will then remain on and will not go off until you manually turn it off at the switch. Your light goes on and off? The first step in bypassing a motion sensor on a flood light is to locate it. Bypassing a motion sensor on an led light can be necessary for various reasons, whether you’re troubleshooting the. Motion Sensor Light Bypass.
     
    
        From www.youtube.com 
                    photocell sensor bypass circuit wiring diagram Day Night Sensor YouTube Motion Sensor Light Bypass  Wire the up position directly to the lighting fixture(s), and the down position to the motion sensor, which then connects to the. How to make your lights stay on or off permanently motion sensor with extra light switch override your motion detector The light will then remain on and will not go off until you manually turn it off at. Motion Sensor Light Bypass.
     
    
        From www.jkoffset.com 
                    How To Bypass Motion Sensor On Outdoor Light Outdoor Lighting Ideas Motion Sensor Light Bypass  Bypassing a motion sensor on an led light can be necessary for various reasons, whether you’re troubleshooting the sensor,. How to make your lights stay on or off permanently motion sensor with extra light switch override your motion detector The light will then remain on and will not go off until you manually turn it off at the switch. Your. Motion Sensor Light Bypass.
     
    
        From www.youtube.com 
                    Photocell Sensor, Bypass Connection. Light wiring. YouTube Motion Sensor Light Bypass  The light will then remain on and will not go off until you manually turn it off at the switch. Bypassing a motion sensor on an led light can be necessary for various reasons, whether you’re troubleshooting the sensor,. How to make your lights stay on or off permanently motion sensor with extra light switch override your motion detector Your. Motion Sensor Light Bypass.
     
    
        From www.diychatroom.com 
                    Bypass Motion Sensor Add Switch to Lights? DIY Home Improvement Forum Motion Sensor Light Bypass  Wire the up position directly to the lighting fixture(s), and the down position to the motion sensor, which then connects to the. How to make your lights stay on or off permanently motion sensor with extra light switch override your motion detector The first step in bypassing a motion sensor on a flood light is to locate it. Bypassing a. Motion Sensor Light Bypass.
     
    
        From www.thespruce.com 
                    Using Motion Sensor Light Switches Motion Sensor Light Bypass  Wire the up position directly to the lighting fixture(s), and the down position to the motion sensor, which then connects to the. The first step in bypassing a motion sensor on a flood light is to locate it. How to make your lights stay on or off permanently motion sensor with extra light switch override your motion detector Bypassing a. Motion Sensor Light Bypass.